目錄:上海立格儀表有限公司>>工業(yè)型>> DMP305X-DST工業(yè)型單晶硅差壓變送器
| 應用領域 | 環(huán)保,化工,石油,能源 |
|---|
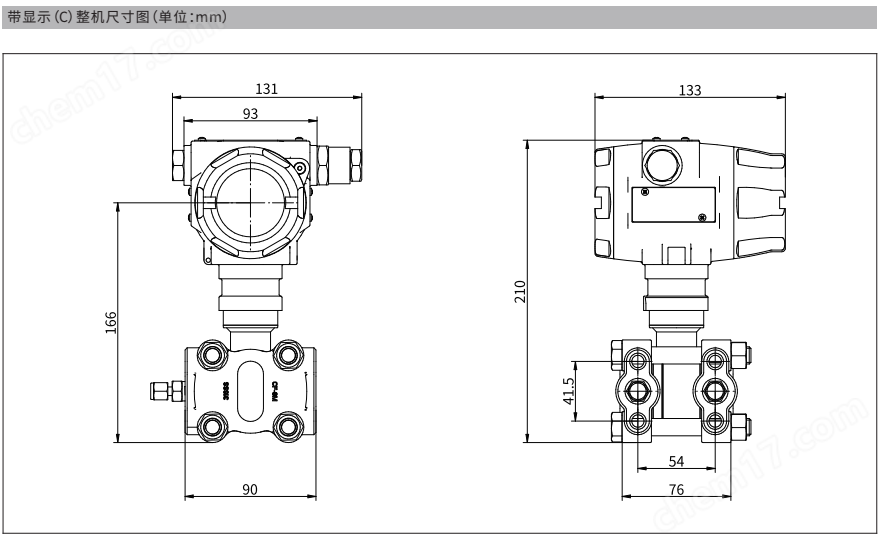
工業(yè)型單晶硅差壓變送器
DMP305X-DST智能差壓變送器采用先 進的單晶硅壓阻技術。產品用于測量液體,氣 體或蒸汽的液位、密度、壓力以及流量,將壓力信號轉化為 4mA~20mA DC 模擬電流信號輸出,同時可通過通信設備實現遠程設定、監(jiān)控 等功能。適合苛刻的流程化工業(yè)領域。
產品特點
• 采用單晶硅壓阻技術,性能穩(wěn)定,精度可 達 0.05%FS。
• 100:1 量程比,測量范圍調整靈活。
• 采用高性能 EMC 防護電路模塊,有效降低 電磁擾動對產品的輸出影響。
• 穩(wěn)定性強可達 ±0.1%SPAN/5 年。
適用場景
• 油氣行業(yè) • 食品加工 • 紙漿造紙 • 電力能源 • 化學工業(yè) • 船用設備












